



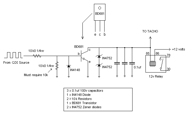
![]() |
As you can see, you have to remove the entire combination meter, and remove the tacho to make the mod. |
![]() |
Where the red pointer is, that is the resistor, that needs to be removed Click on the picture to see a better pic. |
![]() |
I did not remove the resistor, but I made a little "bridge". The bridge can easily be disabled, in case it did not work. |
![]() |
Here is a pic for those who want to see the distributor mod in real. Dennis Heath is having a great write up on his site, that should do (it did for me...), but now you can see, that the 24 tooth are 4 tooth now. You can easily disassemble the distributor, to modify the tooth. Here you have Richard Doig's write up how to disassemble the distributor. |