|
ERL water injection |
Home |

01-01-2001:
Before cranking up the boost and for safety reasons, I installed an ERL system 2 water injection kit.
Installing the kit was done by myself!!! I know, it's hard to believe, but it's definitely true.
It took me about 6 months........ installing the kit, but it runs fine now. I did get a lot of help from Richard Lamb. Richard is the person from ERL Aquamist.
He always answered my e-mails very quickly. A lot of company's can take a look at ERL, about how you make customers happy.
I use the 0.7 mm jet, mounted in the exit side of the intercooler. The intercooler had to be prepared correctly before installing the jet, because the material of the intercooler is too thin.
The pump and tank are mounted in the back of the car, so I needed 32 Amp wire to be sure the pump does get enough power to supply water to the front of the car.
The pump is capable for 11 bar, but mine is set at 7 bar, what can be checked in the
cockpit.
7 Bar of water pressure is giving me an injection pressure of ± 6 bar, under boost conditions. I calibrated the system at 6 and 7 bar, so I know exactly, how much, and at what Rpm, the system is injecting.
About the amount of water:
The amount of water must be ± 15 % of the fuel what is used at the specific moment.
I dynoed my car, so I know exactly what hp. she delivers, and at what rpm.
The ST 185 has 430 cc/min. injectors, totally capable for ± 275 hp.
4 x 430 cc = 1,720 cc/min., but the max. duty cycle of the injectors is ± 90 %.
So, 1,720 x 90 % = 1,548 cc/min. fuel is needed with 275 hp.
This means: the amount of water: 1,548 x 15 % = 232 cc/min. for 275 hp.
My car delivers:
208 hp. at 6000 rpm.
232 cc ÷ 275 hp. x 208 hp. = 175 cc/min.
190 hp. at 5000 rpm.
232 cc ÷ 275 hp. x 190 hp. = 160 cc/min.
143 hp. at 4000 rpm.
232 cc ÷ 275 hp. x 143 hp. = 120 cc/min.
110 hp. at 3000 rpm.
232 cc ÷ 275 hp. x 110 hp. = 93 cc/min.
This is the figure for the (inter)cooling effect of water, if you use the water for detonation control, the amount of water should be taken from torque specs, instead of hp. specs.
N.B. Too much water may result in over cooling and cause power loss.
Results from the dyno:
Power gain with water injection:
11,6 hp en 37,6 Nm, not bad with a little water!
Dyno without water: 183.3 hp/5,970 Rpm. - 239.8 Nm/4,500 Rpm.
Dyno with water : 194.9 pk/5,920 Rpm. - 277.4 Nm/3,990 Rpm.
16-12-2003:
Since the Autronic I choose for an different setup.
First waterpressure is now 10 bar constant. Second I installed a new waterjet, since the previcious one was blocked.... and second, I wired the ERL fault circuit via the HKS boostcontroller.
This means, that if water injection is failing, the error light switches on, the ground wire from the HKS EVC is broken, so boost is falling back to stock wastegate level.
Via the Autronic I can switch the ERL on/off by an intake temp table, and boost level. For the moment I choose for on as soon as intake temps are reaching 41°C, and above 0.5 bar.
So with hard runs, the ERL is starting to inject as soon as intake temps exceed 41°C, under "high" boost, and as the water injection is failing, boost drops to a low, not damage level....
....... Unfortunately, boost creep is pushing boost levels up to 1.2 bar above 6.000 rpm.... so some work to do here..... sigh
Above calculation is not actual anymore, since I installed 540 cc/min injectors, working at an higher pressure than normal, at 3.0 bar exact.
The gauge in the cockpit is swapped for an nice Omori unit, look for yourselve, water pressure gauge is in the middle:

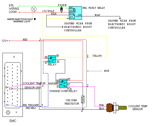
Schematic view from the ERL wiring:

25-01-2006
Made another device to protect the engine from being destroyed, just in case....you never know.
With this device, the yellow wire coming from the ERL fault light relay, feeding ground to the relay in the device. So as soon as this happens, this first relay is activating an second relay, but only if the Autronic is giving a signal coming from pin 1. This signal is the ERL waterinjection trigger signal. As soon as this circuit is short, the coolant temp sensor is bypassed with a 100 Ohm resistor, fooling the Autronic ECU, so it thinks the coolant temp is 127°C. As soon as that happens, the Autronic is limiting rpm to 4.500 max.